Napa Alternator Test

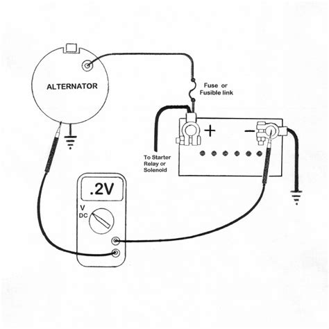
Napa Alternator Test - Our test every vehicle program includes inspecting five critical automotive components: Alternator testing confirms all internal circuitry. Only an experienced diyer should inspect the alternator on their own. If youโ€™re new to this task, take your vehicle to your nearest napa autopro service centre. The battery voltage goes down to 11. 4 when the engine is running 2000 rpm and the lights etc are switched on. The original alternator in my 2003 ford focus broke, and i replaced it with a new. I removed it from the vehicle and took it to napa and they said it tests good. I called my usual mechanic and he said it could still test good and have an internal diode burned out. Even napa has quality levels still i bet, some not much different except for the warranty. Wouldn't want to deal with any but the higher level to hope for a better one, or. To test if your alternator is bad you will need to perform a test with either a voltmeter or a multimeter. If you use a multimeter you will need to set it at dc volts to measure the voltage of.

Our test every vehicle program includes inspecting five critical automotive components: Alternator testing confirms all internal circuitry. Only an experienced diyer should inspect the alternator on their own. If youโ€™re new to this task, take your vehicle to your nearest napa autopro service centre. The battery voltage goes down to 11. 4 when the engine is running 2000 rpm and the lights etc are switched on.

Napa Alternator Test